[閒聊] yeast的汙染會讓medium變色嗎?
之前有一瓶DMEM過.22後,就擺了兩個月,要用前才加FBS和抗生素,但同學說
開冰箱發現我的medium紅得不像話,而且也不透光,那時我加FBS才1小時。
隔天發現medium有一堆懸浮物,看起來還有點像RBC,不過沒那麼明顯的雙凹圓盤狀,
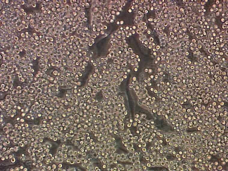
後來看到疑似是budding
http://i1109.photobucket.com/albums/h424/LIAR2K/yeast_400XBF1_zps83e81833.jpg


(抱歉沒有比例尺,倍率是400X)
所以我猜是yeast。
我只有看過細菌或是mold的汙染,所以我這後來又養了三天,結果下面細胞好像也沒
掛光,medium也沒變色。
而拿那瓶後來在室溫擺三天,就只是一堆白白的東西沉澱而已。
我medium當然丟了,不過我現在只是好奇,
1.真的是yeast嗎?
2.yeast汙染不會像細菌那樣變酸變臭嗎?
3.細胞和真菌類能和平共存那麼久啊?
--
起初,他們追殺共產主義者,我沒有說話,因為我不是共產主義者;
接著,他們追殺猶太人,我沒有說話,因為我不是猶太人;
後來,他們追殺工會成員,我沒有說話,因為我不是工會成員;
此後,他們追殺天主教徒,我沒有說話,因為我是新教教徒;
最後,他們奔我而來,卻再也沒有人站起來為我說話了。
《First They Came(他們首次來時)》,Martin Niemoller牧師(1892-1984)
--
※ 發信站: 批踢踢實業坊(ptt.cc)
◆ From: 180.176.35.61
推
12/16 23:24, , 1F
12/16 23:24, 1F
推
12/17 00:37, , 2F
12/17 00:37, 2F
推
12/17 17:45, , 3F
12/17 17:45, 3F
推
12/18 23:33, , 4F
12/18 23:33, 4F
→
12/30 19:38, , 5F
12/30 19:38, 5F
Biotech 近期熱門文章
PTT職涯區 即時熱門文章